多流束旋翼幹式冷水表LXSG-(15~50)E
用途:用來記錄流經自來水管道冷水的體積總量的測量儀表。
工作條件:
☆ 水壓:不大於1.0MPa(10bar)
☆ 水溫:0.1℃~50℃
特點:
☆ 量程大 高(gāo)靈敏(mǐn)度
☆ 性(xìng)能曲線穩定
☆ 傳動性能穩定(dìng)可靠(kào)
☆ 防磁(cí)結(jié)構
☆ 壓力(lì)損失小(xiǎo)
☆ 抽(chōu)真空的計數器,表玻璃不被霧化
示值誤差限:
從分界(jiè)流量到(dào)過載流(liú)量為±2%;
從最小流量到分界流量(不(bú)包括分界流量)為±5%.
※根據訂貨要(yào)求,可提供該型的冷、熱和銅殼表。
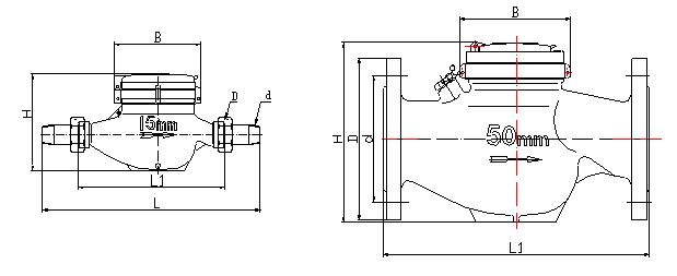
性能參數和尺寸


示值誤差限與流量(liàng)曲(qǔ)線 壓力損失曲線