多流束旋翼液封式冷水表(biǎo)LXSY-(15~50)E
LXSY是一(yī)種用於測量冷水流量的多流束水表(biǎo),能測量任何水質包括極其硬質的、含垢的或含有懸浮顆(kē)粒的水質,這是因為字輪被密封在特殊的液體中,並配有壓力補償裝置,這樣密封的字輪(lún)不會接觸到流經水表的水,使得讀數永(yǒng)遠(yuǎn)清晰易讀。
☆ 內部濾網,擁有充分的過濾麵積。
☆ 機芯由耐磨、防水、防磁、防垢的塑料材料製造。
☆ 機械傳動,不受外來磁場或水中鐵屑影響。
☆ 兼(jiān)有濕式水表和幹式水表的優點而且克服了這兩種水表自身結構上的缺陷。
工作條(tiáo)件:
☆ 水壓:不大於1.0MPa(10bar)
☆ 水溫:0.1℃~50℃
示值(zhí)誤差:
從(cóng)分界流量(包括分(fèn)界流量)到過(guò)載流量為(wéi)±2%;
從最小流量到分界流量(不包括分界流量)為±5%.
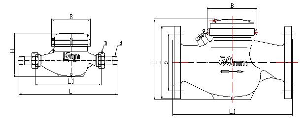
參(cān)數尺寸 SPECIFICATION AND OVERALL DIMENSIONS

外形尺寸 OVERALL DIMENSIONS

壓力損失曲線 Pressure loss curve 示值誤差限與流量曲線FLOW-ERROR CURVE