歡迎光臨~連雲港(gǎng)連利福思(sī)特水表有限公(gōng)司官方網站            English
服務熱線服務熱線:

0518-82344888

您的位(wèi)置:網站首頁 產品中心 . 小口徑(jìng)機械水表係列

小口徑機械水表(biǎo)係列

單流束旋翼液封式冷水(shuǐ)表CD74TRP-(15~25)E

  CD74TRP係列水表是(shì)旋翼式、單流束、液封式直讀(dú)水表。適宜家庭(tíng)使用。銅外殼,外表麵采用(yòng)抗腐蝕(shí)材料處理,無泄漏。計量等級符合GB/T 778-1996標準的B級。
工作條件:
*水壓:不大於1.6MPa(16bar)
*水溫(wēn):不(bú)超(chāo)過50℃(冷水),90℃(熱水)
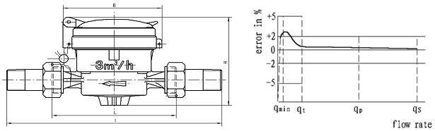
示值(zhí)誤差:
從分界流量到過載流量(liàng)為±2%(冷水)、±3%(熱水);
從最小流量到分界流量(不包(bāo)括分界流量)為±5%.
參數尺寸 SPECIFICATION AND OVERALL DIMENSIONS

名稱 Description

單位(wèi)
UNIT

技術參數與尺寸
HYDRAULIC DATA AND DIMENSIONS

口徑 SIZE

mm

15

20

25

inch

1/2

3/4

1

流通能力 Rated capacity-Q

m3/h

3

5

7

過載流量(qs)Overload flow-rate(qs

m3/h

3

5

7

常(cháng)用流量(qp)Permanent flow-rate(qp

m3/h

1.5

2.5

3.5

分界流量(qt)Transitional flow-rate(qt

m3/h

0.12

0.2

0.28

最小流量(qmin)Minimun flow-rate(qmin

m3/h

0.03

0.05

0.07

每天最大(dà)累積用水量 Max. daily flow-Eg

m3

9

15

21

最大工(gōng)作壓力 Max. working pressure

Mpa

1.6

1.6

1.6

最大讀數 Max. reading

m3

99999.9999

99999.9999

99999.9999

最(zuì)小讀數 Min. reading

m3

0.00005

0.00005

0.00005

L

mm

110

130

160

I

mm

190

230

280

H

mm

89

89

89

B

mm

88

88

88


    外形尺(chǐ)寸 OVERALL DIMENSIONS                    流量(liàng)誤差曲線 FLOW-ERROR CURVE


上(shàng)一條下(xià)一條
掃描二(èr)維碼(mǎ)關注我們(men)關閉
二維碼
好色先生官方版-好色先生污视频-好色先生黄版本-好色先生tv版下载 好色先生官方版-好色先生污视频-好色先生黄版本-好色先生tv版下载