DN15-50mm, threads end
Multi-jet
Single-jet
Rotary Piston
Bypass
DN50-500, Flanged end
Accessories
 
Single-jet
 
CD74TBR-15~20E/C(Class C)
 

Model CD74TBR-E/C is an inferential type, single stream vane wheel, wet dial water meter, and it’s suitable for domestic use. Brass body and adopt all antiseptic material, no leak.
 
WORKING CONDITION
*The max. admissible water pressure:1.6MPa(16bar)
*Water temp. : not more than 50℃ (cold water meter),
 
Maximum permissible error:
Between qt (included) and qs is ±2%;
Between qmin and qt (excluded) is ±5%.
NOTE: The technical data conform to ISO4064 standard, class C.
 
FLOW-ERROR CURVE
 
SPECIFICATION AND OVERAL DIMENSIONS
Description

Unit

Hydraulic data and dimensions

Nominal size

mm

15

20

inch

1/2

3/4

Overload flow-rate (qs)

m3/h

3

5

Permanent flow-rate (qp)

m3/h

1.5

2.5

Transitional flow-rate (qt)

m3/h

0.0225

0.0375

Minimum flow-rate (qmin)

m3/h

0.015

0.025

Max. reading

m3

99999.9999

99999.9999

Min. reading

m3

0.00005

0.00005

Max. working pressure

MPa

1.6

1.6

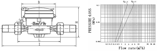
ΔP at the qs

MPa

≤0.1

≤0.1

L

mm

110

130

I

mm

190

230

H

mm

89

89

B

mm

88

88

                   OVERALL DIMENSIONS                                                                     PRESSURE LOSS CURVE

 

  All rights reserved: Lianyungang Lianli Water Meter Co.,Ltd. Tel: 0086-518-82341113 Fax: 0086-518-82340789
Add: Lianyungang economic and technological development zone, jiangsu, china
P.C: 222047 E-mail : lianli@yetaodigits.com Support: Sooba.cn 
好色先生官方版-好色先生污视频-好色先生黄版本-好色先生tv版下载