DN15-50mm, threads end
Multi-jet
Single-jet
Rotary Piston
Bypass
DN50-500, Flanged end
Accessories
 
Multi-jet
 
DS04TBR-15~50E (cold water)
 

DS04TBR-E is an inferential, multi-stream, wet dial, straight reading type meter for cold water, and it’s suitable for domestic use. Brass body, internal mechanisms are made from wear-resistant, waterproof, antimagnetic and antiscaling plastic material. No leak, mechanical transmission not effected by external magnetic fields or ferrous particles in water.
 
SPECIALITY:
* Internal filter of adequate filtering section.
* Large measuring range and high flow accuracy
* Low start-up flow, high sensitivity, long life of service time.
 
WORKING CONDITION:
* The max. admissible pressure: 1.6MPa(16bar)
* Water temp. : not more than 50℃

Maximum permissible error:
Between qt (included) and qs is ±2%;
Between qmin and qt (excluded) is ±5%.
NOTE: The technical data conform to ISO4064 standard, class B.

FLOW-ERROR CURVE

SPECIFICATION AND OVERALL DIMENSIONS
Description
Unit

Hydraulic data and dimensions

Nominal size
mm

15

20

25

32

40

50

inch

1/2

3/4

1

11/4

11/2

2

Overload flow-rate (qs)
m3/h

3

5

7

12

20

30

Permanent flow-rate (qp)
m3/h

1.5

2.5

3.5

6

10

15

Transitional flow-rate (qt)
l/h

120

200

280

480

800

3000

Minimum flow-rate (qmin)
l/h

30

50

70

120

200

450

Min. reading
l

0.05

0.05

0.05

0.05

0.05

0.05

Max. reading
m3

99999

99999

99999

99999

999999

999999

Nominal pressure
MPa

1.6

1.6

1.6

1.6

1.6

1.6

ΔP at the qs
MPa

0.08

0.09

0.08

0.09

0.085

0.085

L
mm

165

190

260

260

300

300

I
mm

245

292

380

384

438

438

H
mm

105

105

105

105

170

170

B
mm

91

91

91

91

130

130

G
inch

G3/4B

G1B

G11/4B

G11/2B

G2B

G21/2B

R
inch

R1/2

R3/4

R1

R11/4

R11/2

R2

Weight
Without connections
kg

1.01

1.12

1.62

1.95

3.77

4.72

With connections

1.18

1.39

2.05

2.67

4.47

6.12

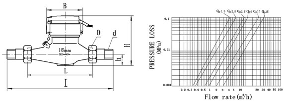
OVERALL DIMENSIONS                                                                         PRESSURE LOSS CURVE

 

  All rights reserved: Lianyungang Lianli Water Meter Co.,Ltd. Tel: 0086-518-82341113 Fax: 0086-518-82340789
Add: Lianyungang economic and technological development zone, jiangsu, china
P.C: 222047 E-mail : lianli@yetaodigits.com Support: Sooba.cn 
好色先生官方版-好色先生污视频-好色先生黄版本-好色先生tv版下载